06

Electronics Design

Week 6 Assignment

Assignment Overview

Week 6: Electronics Design. This page is divided into Personal and Group work sections.

๐Ÿ‘ค Personal Work

My First PCB Board โ€” designed using Fusion 360.

๐Ÿ–ฅ๏ธ Design Preparation

Operating System: Mac

Design Software: Fusion 360

Download: https://www.autodesk.com/products/fusion-360/overview

๐Ÿ“ Section 1: Planar Draft Design

Create a New Electronics Design

Open Fusion 360 and select Create new Electronics design to start a new PCB project.

Fusion 360 - Create new Electronics design
Fusion 360 โ€” Create new Electronics design to start a PCB project
Add Components

Import and place the required components on the schematic. The images below show the process of adding components to the design. Click any image to view full size.

Add components - Step 1
Add components - Step 2
Add components - Step 3
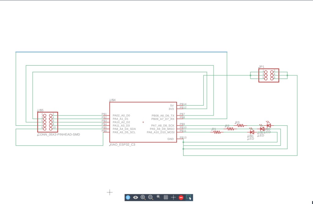
Add and Connect Wires

After placing the components, add wires and connect the circuit traces between them to complete the schematic.

Selected components
Selected components for the PCB design
Wire connections
Completed wire connections between components

๐Ÿ”Œ Section 2: Adjust Routing & Draw the Board

After completing the schematic draft, click Switch to enter 2D circuit editing mode. Then click Rules, select Design Rules to configure your routing rules.

Design Rules - Step 1
Design Rules settings
Design Rules - Step 2
Routing rules configuration

Arrange the traces, then click Quick Route โ†’ Automatic Route for automatic routing. Next, click Route โ†’ Check Design Route to verify there are no unconnected traces.

Check Design Route
Check Design Route โ€” verify no unconnected traces

As shown in the image above, there may be some unconnected traces. Return to the schematic draft page and re-adjust the connections until there are no unconnected traces in the single-layer board. Finally, use BoardShape to draw the PCB board outline.

PCB board outline - final result
Final result โ€” PCB board outline with BoardShape

Finally press T to add a text box and place it on the PCB board. ๐Ÿ˜Ž

๐Ÿ”ง Section 3: Use CNC to Machine the PCB Board

Content to be added.

๐Ÿ‘ฅ Group Work

Group assignment content to be added.