Final Project¶
Final Project Idea¶
My initial idea was to create an autonomous catamaran powered by solar and wind energy. However, I understand that building a fully autonomous boat is a complex task that requires significant time, integration, and testing. It involves many different subsystems, such as the boat structure, propulsion, energy generation, charging control, and electronic monitoring. Therefore, instead of trying to complete the entire autonomous catamaran in one cycle, I decided to focus on developing several important parts of the system by applying the knowledge and skills I gain during Fab Academy.
The main part I would like to develop is a wind turbine based on an Archimedes helical design. I chose this concept because it is compact, visually interesting, and suitable for experimenting with renewable energy generation. My plan is to design and fabricate the main turbine components myself. To improve the rotation delivered to the generator, I also plan to include a gear system that can increase the rotational speed. The turbine blades and gear components were designed in Onshape as part of the concept development and mechanical planning process.
In addition to the mechanical part, I also want to work on the energy management system of the project. I plan to add a voltage/charge controller and create a simple interface for monitoring and controlling the charging process from both the solar panel and the wind turbine. This interface will help visualize how energy is being generated and stored, and it will make the system more understandable and user-friendly.
At this stage, my final project is not the complete autonomous catamaran itself, but rather a prototype of several key subsystems that could later become part of a larger renewable-energy-powered boat. Through this project, I want to demonstrate my ability to design, fabricate, assemble, and test custom-made mechanical and electronic components relevant to a real engineering application.

Source: Bosch Bike System
Final Project Implementation Stages¶
Computer-aided design¶
Computer-controlled cutting¶
Embedded programming¶
3D scanning and printing¶
Electronics design¶
Computer-controlled machining¶
Computer-controlled machining¶
Electronics production¶
Input devices¶
Output devices¶
Networking and communications¶
Mechanical design¶
Machine design¶
Molding and casting¶
Interface and application programming¶
System integration¶
Studying the existing Solar and Wind Energy Powered Electric Boat Examples¶
Brief Introduction
This project envisions the development of an autonomous twin-hull marine drone—a self-navigating, electric-powered vessel featuring a catamaran-style structure optimized for stability, energy efficiency, and modular functionality. Powered by an integrated system of wind turbines and solar panels, the drone is designed to undertake long-duration missions to monitor ocean health and remove plastic and other surface pollutants. The twin-hull configuration provides an ideal platform for integrating smart environmental sensors, vacuum-based collection modules, and real-time data systems, ensuring efficient operation in both coastal and open-sea conditions. The overarching goal is to deliver a scalable and sustainable solution for combating marine pollution while supporting advanced oceanographic research and ecosystem protection.




Source: Marine Advanced Research, Inc. Now Marine Advanced Robotics, Inc.
The design and concept of this project have been shaped through close analysis of several pioneering marine innovation initiatives:
-
Bluebird Marine Systems has conducted extensive research into wind-powered ships and marine renewable energy. Their concepts inspired the integration of vertical-axis wind turbines into autonomous marine vessels for sustainable propulsion and power generation. - Bluebird Marine Systems
-
The solar-powered vacuum concept presented by Ecowatch demonstrated the feasibility of autonomous, renewable-energy-driven systems capable of removing significant quantities of plastic from the oceans. This concept directly influenced the proposed plastic collection module. - The solar-powered vacuum concept
-
The “Thomas the Marine Engine” initiative, featured by New Scientist, showed how compact and efficient propulsion systems can be used for exploring sensitive marine environments, helping guide the propulsion design for our drone. - Thomas the Marine Engine
-
The SeaVax and Seabin projects illustrated practical applications of autonomous waste collection using vacuum pumps and cyclonic separation. These projects validated the idea of deploying such technologies in dynamic marine environments. - The SeaVax and Seabin projects
-
offered scalable and modular concepts for marine cleanup vessels, aligned with sustainable development goals. Their design logic and use-case flexibility were critical in shaping our drone’s modular system. - MultiVax and RiverVax
-
The SeaVax Model Development page by Bluebird Electric provided highly detailed information on solar-powered robotic vacuum systems and cyclonic filtration technologies for marine plastic cleanup. These insights guided the engineering integration of our vacuum system. - The SeaVax Model Development
-
The evolution of Marine Advanced Research Inc. into Marine Advanced Robotics Inc. highlighted the transition from concept to commercialization of advanced marine vehicles, reinforcing the long-term scalability and market potential of our system. - Marine Advanced Robotics Inc
Blue Robot Boat - Solar-wind powered ships for marine renewable energy research
Boat Development Structure:
- Hull Design
- Power System
- Propulsion
- Battery storage
- Navigation
- Control
- Communication
- Sensors & Payload
DRAFT
Bill of Materials (BOM)
-
MCU & compute
-
1× ESP8266 module
Sensors
-
1× DHT22 (recommended for accuracy and range) or DHT11 (budget).
-
1× Optional DS18B20 (waterproof probe) for outdoor/remote temp (1-Wire).
Display
- 1× 0.96” OLED 128×64, I²C (SSD1306).
Power
-
1× Micro-USB or USB-C connector (power only)
-
1× Buck (5→3.3 V) DC-DC module (e.g., MP1584EN) or 1× LDO 3.3 V (e.g., AMS1117-3.3; use if input ≤5 V and current headroom)
-
1× Reverse-polarity protection (series Schottky diode or ideal-diode controller)
-
1× TVS diode (5 V line) for ESD
-
1× PTC resettable fuse (e.g., 500–750 mA) on 5 V input
-
Bulk caps: 1× 100 µF (5 V), 1× 22–47 µF (3.3 V)
-
Decoupling: 0.1 µF at each VCC pin (ESP-12F, OLED, sensors), 1 µF near regulator
Programming & debug
-
1× USB-UART: CH340C/CP2102 (integrated on-board)
-
1× Auto-program circuit (DTR/RTS to EN/GPIO0 via 0.1 µF caps & resistors)
-
1× 6-pin header pads: GND, 3V3, TX, RX, GPIO0, EN (test/program)
Connectors
-
1× 3-pin JST-XH for DHT (3V3, Data, GND)
-
1× 4-pin JST-XH for I²C expansion (3V3, GND, SDA, SCL)
-
1× Header for DS18B20 (3V3, Data, GND)
-
Mounting holes ×4 (M3), standoffs
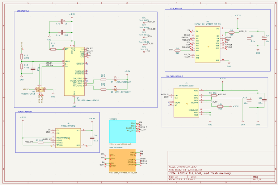
Solar and wind powered boat has sensors for Environmental monitoring (water quality, algae, pollution tracking, Temperature, Salinity), so ESP32-C3-02 Sensor Board will be required to have it. Four layers of circuit design were done, but Electrical Rules Checker of KiCAd gives more than 70 erros to fix and Assign Footprints requires footprint information.




Weather and Water Data Station¶
The Final Project idea is to create the Weather & Water Data Station, which is an ESP8266-based IoT node that continuously measures ambient temperature and humidity (DHT22), plus key water metrics such as temperature (DS18B20) and optional turbidity/pH modules. Readings will be shown in real time on a compact I²C OLED display and served over a local Wi-Fi web page for live monitoring.
It is designed to ride aboard my solar- and wind-powered boat researching Caspian Sea, sipping energy from the vessel’s renewable system (PV + micro-turbine → MPPT → 12 V battery → high-efficiency 5 V/3.3 V buck).
Before mounting on the boat, it will be tested on static position by adding neccesary sensors, so it the project will be designed so that web page connected over wifi.
An ESP8266-based the Weather & Water Data Station will perform the following functions:
-
reads temperature & humidity from a DHT sensor and shows them on a 0.96” I²C OLED,
-
uploads measurements daily to ThingSpeak (cloud),
-
streams live readings on a local Wi-Fi web page (and optionally via MQTT),
-
logs data to Excel (either directly to a sheet or by syncing from ThingSpeak/CSV).