Group Assignment:
For our group assignment we used the following test equipment in our lab to observe the operation of a microcontroller circuit board
To know more, visit group assignment page
ELECTRONIC SIMULATION
WOKWIWokwi is an online Electronics simulator. You can use it to simulate Arduino, ESP32, STM32, and many other popular boards, parts and sensors. I had previously worked on Raspberry Pi Pico using micropyton.
First, login to Wokwi, then i selected the Raspberry Pi Pico board and copy pasted the LED blinking code from the previous electronics week.
You can also run WOKWI locally, through your VScode using a PlatformIO plugin,Its a plugin for VS code and various IDE, a cross platform tool for embedding c++ development. Has advanced features and a debugger.
To know more visit this Youtube Video
ELECTRONICS DESIGN
Electronic componentsElectronic components are the fundamental building blocks of electronic circuits, designed to control the flow of electricity in a system. They can be active (such as transistors and diodes) or passive (such as resistors and capacitors) , each serving a specific function within a circuit. When connected on a printed circuit board (PCB), these components work together to form functional electronic devices.
source Active and passive components - Active and passive components are the two main types of electronic components used in circuits. Active components require an external power source to function and can amplify, switch, or generate electrical signals. Common examples include transistors, diodes, and operational amplifiers. In contrast, passive components do not need an external power source and mainly resist, store, or control the flow of electricity without amplification. Examples of passive components include resistors, capacitors, and inductors. Both active and passive components are essential for building and operating electronic circuits.
Resistor - A resistor is a passive electronic component that limits or regulates the flow of electric current in a circuit. It is commonly used to control voltage levels, divide currents, and protect components from excessive current.
Capacitor - A capacitor consists of two or more parallel conductive plates that are electrically separated by an insulating material called the dielectric. These plates do not touch each other, and the dielectric can be made of air, waxed paper, mica, ceramic, plastic, or a liquid gel (as found in electrolytic capacitors).
Inductor - is a passive electronic component that temporarily stores energy in a magnetic field when an electric current passes through its coil. It consists of two terminals and a coil of insulated wire, which can either loop through the air or wrap around a core material that strengthens the magnetic field. Inductors play a key role in managing fluctuations in electrical current within a circuit.
Transistor - is a semiconductor device that plays a vital role in amplifying or switching electronic signals and electrical power. It is composed of three layers of semiconductor material, where the flow of current or voltage between two layers is controlled by applying an electric current or voltage to the third layer.
Diode is a semiconductor device that primarily allows current to flow in one direction while blocking it in the opposite direction. This property makes diodes essential for converting alternating current (AC) to direct current (DC), protecting circuits, and enabling various electronic functions.Diodes operate in two modes:
Forward Bias: When the anode is at a higher potential than the cathode, the diode conducts electricity.
Reverse Bias: When the cathode is at a higher potential, the diode blocks current, acting as an insulator.
Types of Diodes
Rectifier Diode : Used for converting AC to DC.
Zener Diode : Designed to operate in reverse bias and regulate voltage.
Light Emitting Diode (LED) : Emits light when forward-biased.
Photodiode : Converts light into electrical current.
Integrated circuits (IC) Integrated circuits (ICs) are essential components in modern electronics, consisting of resistors, capacitors, inductors, diodes, and transistors fabricated onto a single semiconductor chip, usually made of silicon. These components are interconnected to perform specific functions such as amplification, signal processing, computation, and power management.
KiCad
KiCad is a free, open-source Electronic Design Automation (EDA) software suite used for creating schematics and designing printed circuit boards (PCBs). It provides tools for schematic capture, PCB layout, circuit simulation, and generating manufacturing files such as Gerber files. KiCad also includes features like 3D modeling, bill of materials (BOM) generation, and engineering calculations, making it a powerful tool for electronics design.
Go to the official KiCad website. Choose your operating system (Windows, macOS, or Linux). Download the installer for the latest stable version.Run the installer and follow the installation instructions.I downloaded and installed KiCad. Now open KiCad . File -> New Project -> Name your project
Using the FabLab Library in KiCadKiCad is an open-source electronics design automation (EDA) tool used to create schematics and PCB layouts. In the context of Fab Labs, we use KiCad along with the FabLab Library to streamline the design process. The FabLab Library is a curated collection of components commonly used in Fab Academy and Fab Lab projects. It includes footprints and symbols for microcontrollers, sensors, connectors, and other parts that are compatible with standard Fab Lab fabrication workflows. To add git lab KiCad Library
(Step 1): Go to "Tools > Plugin and Content Manager" or press Ctrl + M.
(Step 2): Select the Libraries tab.
(Step 3): Look for "KiCad FabLib" in the "Libraries" tab.
(Step 4): Click "Install".
(Step 5): Click "Apply Pending Changes".
Pinout of XIAO RP2040
Schematic EditorI used XiaoRP2040 microcontroller to build the PCB, Firt you start by adding the component. Press A or click the "Place Symbol" tool.
Search for the component
Click to place it on the canvas. Now, you can add the remaining various components such as the power, LEDs, switch, resistor, capacitor etc . and then
marking the PINs of the XIAO, The Serial Clock Pin (SCL) and the Serial Data Pin (SDC) pins are used in I2C protocol. The SCL pin sets the speed of
data transfer, while SDC pin tranfers the data. An example where I2C is used is in OLED screens.
Above i have connected by label instead of Wire(Press W or click the "Place Wire" tool) from the right tool bar.
Press E while hovering over a component(or double click at the value) to edit its value (e.g., 220 Ω for a resistor).
After that we can perform Electrical Rule Check (ERC) it is an automated verification tool in the Schematic Editor that
scans your circuit design for electrical, connectivity, and, logical errors. From the top tool bar click Inspect -> Run


Here, i do not have any violations or errors.
PCB LAYOUT
In the top toolbar click the following icon -> run .

Now we need to place each component in such a way to reduce the number of knotted airwires.
I used the following constraints for tracing:
Once placement is done, its time to draw traces. I select F Cu and draw traces using X command.
Some tips to to be followed while making traces:Only traces for ground and power at the last, after all other connections have been made.
Avoid 90 degrees in traces, add cruves using D command
Using tilde key to see all connections of one terminal
Using D to edit traced paths
select the trace and press U to select an entire traced path
Then i proceeded to draw an edge cut rectangle path (White colour).
Next i did Design Rule Check (DRC), it s an automated tool within the PCB Editor that verifies a layout against predefined electrical and physical constraints.
Now moving to the third part of the designing process; 3D models.
This is the final result.
What are Gerber files?Gerber files are the standard manufacturing files used by PCB factories to fabricate your board. They describe each physical layer of the PCB (copper, solder mask, silkscreen, board outline, etc.).
Export in Gerber:
Open File → Gabrication Outputs → Gerber .gbr
to view the gerber file use
gerber2png websiteSimilarly, we made a PCB using ATtiny412 microcontroller, I made the connection diagram in schematic editor
Then I followed the same workflow: component placement, routing, DRC, and 3D preview.
after the review i got a feedback to change the traces in such a way that it shouldn't be 90 degrees, because it might lead to acid deposition.
Final Output:
PCB Case design in Fusion 360First Export the file in STEP format from KiCAD:
Then open in to open in fusion , go to file->open
After exporting i extended the border using shell function.
Then i drew a line and using the extrude key i cut the left portion off as it was sticking out a bit.
To change appearance, go to modify-> choose which material you want.
For the top portion i constructed an offset plane and drew a box there, then extruded it to my likimg. and then used the joint function to make the enclosure
After changing the appearance , this is the following is the final output:
Snap EDA Plugin in FUSION 360What is Snap EDA?
Snap EDA is a lifesaver, it is a library for electronics design,which provides free, ready-to-use CAD models like schematic symbols, PCB footprints, and 3D models.
Now why use it?
quickly import electronic components into Fusion so you don’t have to build symbols, footprints, and 3D models from scratch.
How to get Snap EDA ?
Open FUSION 360 & choose electronics tab, then click on the following icon.
next you can add SnapDA to your Fusion, got o Utilities -> add ins -> Fusion apps -> search -> download(referYoutube Video)
Now your Plugin is insatlled.ok so apparently this is not supported in MacOS, i learnt that after spending hours on figuring out why i was not able to access the SnapEDA Though this website seemed to have info, the latest update of Fusion 360 did not support it. Sad. But for windows this(the plugin) works just fine.
Update: Easy EDA does work on Fusion but it took a day to show up on the toolbar, i am not sure why that happened, only noticed it on wood working week.
PCB Design - EasyEDA(Final Project Ed)
What ia EASY EDA?
Easy EDA is a web-based electronics design software used to design schematics and printed circuit boards (PCBs). It runs directly in a browser and is widely used by hobbyists, students, and engineers because it is free and easy to start with. Go through the Website to know more.
Go to Easy EDA website, click on new project and save your file.
Then click on library->search for the component you are looking for.(xiao)
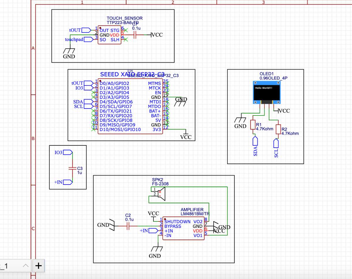
Follow the same steps and assemble the parts you want. Here, i have taken an amplifier, OLED screen, Speaker, Touch Sensor. I had a basic idea of what all the components were that i needed for my final project. But i didnt know how to connect or what all nittygrittys i was missing, So i asked Chat GPT ,
PROMPT: Give a **clear circuit diagram layout (**for my final project using the components
Seeed XIAO ESP32-C3,TP223 touch sensor*,0.96" I²C OLED,LM4861 audio amplifier,Speaker
and this gave me an almostclear idea of what steps i had to follow . Here is how the schematic looked after all of it.
To access the port labels go to the top tool bar & follow the steps shown in the following image:
To cut the ports/pins not in use, go to the top tool bar & follow the steps shown in the following image:
After selecting place the cross on the ports that are not in use
After that click on design in the top tool bar and go to Convert to PCB:
then to set the design settings:
enter the measurements
After setting the required measurements and re arranging the components in a suitable way, trace it using auto trace:
This is how the wiring looks:
Now to check for errors:

from the top tool bar , Tools→ Set board Outline
You can adjust the border by clicking and dragging the vector points of the outline :
To View in 3d model,go to top toolbar, View → 3D view
Here is the final Output :
Conclusion
This week we learnt the basics of electronic CAD. I learnt to use various testing instruments and KiCAD to design PCBs for my projects.Final Files
FUSION FILESKiCAD FILES
EasyEDA FILES
WOKWI FILES