What is an EDA Tool?
An EDA Tool (Electronic Design Automation Tool) is software used to design, simulate, and analyze electronic circuits and PCBs. These tools allow engineers to create schematics, design board layouts, verify electrical connections, and generate manufacturing files.
EDA tools are essential in modern electronics because they reduce design errors, improve precision, and speed up the development process. Commonly used tools include KiCad, Altium Designer, EAGLE, and Fusion 360.
Designing a development board means creating a PCB centered around a microcontroller for prototyping and testing. It covers schematic design, component selection, PCB layout, and design rule verification — then the board can be programmed for specific tasks, connecting with the embedded programming work from Week 4.
→ Go to Week 4: Embedded ProgrammingThrough-Hole Technology (THT) passes components through drilled holes for strong mechanical support. Surface Mount Technology (SMT) mounts SMD components directly on the surface, enabling smaller designs. In Fab Academy, we primarily use SMD components.
Embedded Programming Components
With our instructor, we reviewed the main components of embedded programming — resistors, diodes, transistors, inductors, and push buttons — focusing on their function and interaction within a circuit.
Key Components
- Resistors (110 Ω) — Not polarized. Limit current and protect components.
- LED — Polarized (anode/cathode). Requires a resistor to prevent burnout.
- Transistor — Electronic switch with emitter (E), collector (C), base (B). Fundamental for logic gates.
- Diode — Allows current in one direction only. Protects the microcontroller.
- Inductors — Store energy as a magnetic field.
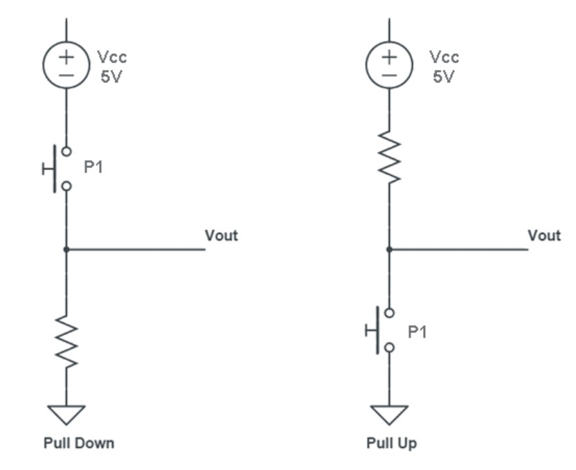
Push Button & Pull-Down Resistor
Without a resistor, a button input becomes a floating point — unstable, randomly reading HIGH or LOW. A pull-down resistor (10 kΩ) to ground ensures LOW when not pressed, HIGH when pressed.
Lab Equipment & Electrical Concepts
Click each concept to expand its formula and explanation.
Voltage is what "pushes" current through the circuit — energy per unit charge between two points.
Flow of electric charge over time. We use conventional current (positive → negative), while electrons physically move in reverse.
Higher resistance means less current for the same voltage.
Stores energy in an electric field. A stable DC voltage means zero capacitor current — current only flows when voltage is changing.
Stores energy in a magnetic field. Opposes sudden changes in current.
🔌 Multimeter — Prasek Premium PR-85
The Prasek Premium PR-85 is a digital multimeter that allows measuring different electrical quantities and verifying whether components are working correctly. Each function below is color-coded to match the physical device dial — click any to expand.
Scales: 200 mV · 2 V · 20 V · 200 V · 1000 V
Used to measure: voltage from regulated supplies, microcontroller output, LEDs, sensors, etc.
Our experiment: Placed in series with the yellow LED, at the 20 V range, we read approximately 2.93 V being supplied to the LED — dropping to zero when the microcontroller turned the LED off. Although the microcontroller runs at 3.3 V, this lower reading indicates the connected GPIO pin is worn and doesn't supply its full rated voltage.
Scales: 200 V · 750 V
Used to measure alternating current, such as the electrical grid. This mode is for high-voltage AC sources only — not for microcontroller circuits.
Scales: 20 µA · 200 µA · 2 mA · 20 mA · 200 mA
Used to measure the consumption of small components such as LEDs or sensors.
Scales: 20 mA · 200 mA · 20 A
Measures alternating current in equipment or systems that run on AC. As with DC current, the multimeter must be connected in series with the circuit.
Scales: 200 Ω · 2k · 20k · 200k · 2M · 20M
Used to measure resistors, verify components, and detect open circuits.
🔬 LDR Experiment: We tested an LDR using the 200 kΩ scale in three conditions:
- Fully covered (total darkness): High resistance reading
- Ambient room light: Resistance decreased
- Direct light applied: Resistance dropped even further
This confirmed the LDR increases resistance in darkness and reduces it with more light — validating its function as a light-dependent sensor.
This function is found on the same selector position as the diode symbol. It does not work with a numerical scale — it is a quick verification tool.
When there is a connection between two points and the resistance is very low, the multimeter emits a beep. Used to verify that a trace or cable is properly connected.
Diode Test ➤|— Verifies that a diode conducts in only one direction and measures its forward voltage drop. Very useful for identifying anode and cathode before soldering:
- Black probe → Cathode
- Red probe → Anode
💡 LED Experiment — SMD vs THT: We tested green SMD and transparent THT LEDs on a breadboard. To light a LED, the Black probe must go to the Cathode and the Red probe to the Anode. We observed that the voltage the multimeter provides in diode test mode (~2.7 V) is not enough to light the transparent LED, but it does light the SMD green ones.
Scales: 20 nF · 200 nF · 2 µF · 20 µF
Measures the value of a capacitor and verifies whether it is in good condition.
Range: Up to 20 kHz
Measures the frequency of electrical signals. For analyzing PWM signals it is more recommended to use an oscilloscope, as it also shows waveform shape and duty cycle visually.
Includes ports for both NPN and PNP transistors.
Measures the current gain (hFE) of a transistor and verifies that it is functioning correctly. Useful for confirming transistor type and checking for damaged components before soldering.
📺 Digital Oscilloscope — Siglent SDS 1102CML+
Unlike the multimeter, the oscilloscope visualizes how voltage changes over time. Y-axis = voltage · X-axis = time. The trigger system stabilizes the signal for clean analysis.
We built a test circuit with a Raspberry Pi Pico W2 and an LED, controlling it via PWM programmed in Thonny:
A low duty cycle (5%) produces short PWM pulses:
A high duty cycle produces longer PWM pulses:
Multimeter Voltage on the Oscilloscope
The oscilloscope detected the multimeter providing ~2.7 V during diode test mode — explaining why components requiring more than 2.8 V won't activate.
PWM is a digital technique controlling power by rapidly switching between HIGH (on) and LOW (off). On the oscilloscope you see the square waveform, period, frequency, and duty cycle. Used to control motor speed, regulate LED brightness, and simulate analog output.
The duty cycle is the percentage of time the signal is HIGH within one full period.
- 50% → equal on/off time
- Higher % → more average power → LED brighter
- Lower % → less average power → LED dimmer
⚡ Regulated Power Supply — Wanptek DPS3010U
Variable voltage (0–30 V) and adjustable current (0–10 A). Shows consumed current in real time for safe testing. We found the transparent LED's turn-on threshold: 3 V.
Supporting Elements
- Voltage divider — Steps down voltage using resistors (e.g., 12 V → 5 V for a sensor).
- Electrolytic capacitor — Cylindrical, polarized. Filters voltage variations and reduces electrical noise.
Circuit Simulation
I used a 6mm push button and a green LED on the XIAO ESP32-S3. The button simulates each towel dispense — every press blinks the LED and increments a counter. At 10 presses, the system warns that towels have run out and resets automatically.
Code
#define BUTTON_PIN D4 #define LED_PIN D3 int count = 0; void setup() { Serial.begin(115200); pinMode(LED_PIN, OUTPUT); pinMode(BUTTON_PIN, INPUT_PULLUP); Serial.println("Hello world!"); Serial.println("Hygiene dispenser ready!"); Serial.println("Counter: 0/10"); } void loop() { if (digitalRead(BUTTON_PIN) == LOW) { count++; // LED blinks 3 times as confirmation for (int i = 0; i < 3; i++) { digitalWrite(LED_PIN, HIGH); delay(200); digitalWrite(LED_PIN, LOW); delay(200); } if (count >= 10) { Serial.println("✅ Dispenser activated!"); Serial.println("⚠️ Limit reached! Resetting..."); count = 0; Serial.println("Counter: 0/10"); } else { Serial.println("✅ Dispenser activated!"); Serial.print("Counter: "); Serial.print(count); Serial.println("/10"); } delay(500); } }
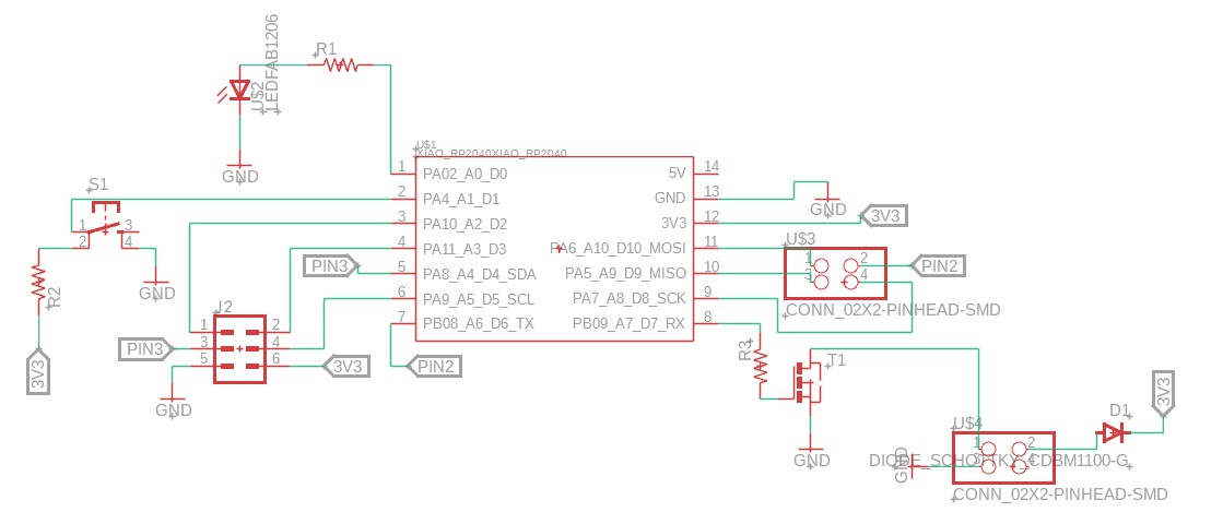
PCB Design
Before starting, I downloaded the Fab Academy component library: gitlab.fabcloud.org/pub/libraries/electronics
- Step 1 — Choose the schematic design mode in Fusion 360.
- Step 2 — Load the public library — Fusion recognizes it automatically.
📐 Schematic Design
First time designing an embedded circuit in Fusion 360. Typing "add" opens the full component library. I chose components with larger pads for easier hand-soldering.
My final project is an automated hygiene product dispenser. Key design decisions: N-Channel MOSFET to safely drive the DC motor, Schottky diode to protect against motor switching spikes.
| Component | Pin | Connects to | Function |
|---|---|---|---|
| LED U2 | Anode | R1 → PA02_A0_D0 (pin 1) | GPIO Control |
| LED U2 | Cathode | GND | Ground |
| Resistor R1 | Pin 1–2 | PA02 ↔ LED Anode | Current limiter |
| Button S1 | Pin 1/2 | R2 + PA4_A1_D1 (pin 2) | GPIO Signal |
| Button S1 | Pin 3/4 | GND | Ground |
| R2 Pull-up 10kΩ | Pin 1 | 3V3 | Keeps pin HIGH by default |
| Connector J2 | Pins 1–6 | PA10–PA9, GND, 3V3 | Analog pins for sensors |
| MOSFET T1 | GATE | R3 → PB09_A7_D7 (pin 8) | GPIO Control Signal |
| MOSFET T1 | DRAIN | Connector U$4 pin 1 | Toward motor |
| MOSFET T1 | SOURCE | GND | Ground |
| Flyback Diode D1 | Anode | DRAIN / U$4 pin 1 | Motor side |
| Flyback Diode D1 | Cathode | 3V3 | Protects against voltage spikes |
🖥️ PCB Layout & Routing
Switched to 2D PCB mode via the Switch button. First step: organize components in the ct TOP layer.
Board outline drawn in the m1 Board Outline layer — crown-shaped base:
Manual routing panel (Route → Manual Routing):
S1 pin 3/4 · R2 pin 2 · MOSFET SOURCE · XIAO GND · U$4 pin 3
XIAO 3V3 → R2 pin 1 · U$4 pin 2 · D1 cathode · J2 pin 6
All other connections
Final PCB result:
- Track Width — Power traces (VCC, GND) wider than signal traces to prevent overheating.
- Trace Clearance — Minimum distance between traces to prevent short circuits.
- Drill Size — Holes slightly bigger than component pins for easier assembly.
- Pad Size — Large enough for clean soldering; larger openings reduce hand-soldering errors.
- Via Size — Well-defined diameter and annular ring for reliable inter-layer connections.
- Ground Plane — Improves stability, reduces EMI, provides better current return paths.
- Trace Length — Long traces can affect signal integrity in high-speed circuits.
