In this week we should need to to network between atleast two microcontroller boards and comminicate etch other. In this week iam going to try some hardware loevel protocols to interconect more than two boards. But they are mainly categerised in to two types for inter-exchanging datas(Serial & Parellel). Also Wired and Wirless communication methods are available. In Wired communication, there are I2C, UART,SPI are the common type of methods that are using to make a network between the boards. I would like to both of them. There are a lot of Atleast i can try them. In wireless communication, commonly used, Bluetooth,WiFi,NFC,RF etc... are the type of methods. I used the Bluetooth module in interface week to communicate the board with my android phone.


UARTs do exist as stand-alone ICs, but they’re more commonly found inside microcontrollers. You’ll have to check your microcontroller’s datasheet to see if it has any UARTs. Some have none, some have one, some have many. For example, the Arduino Uno - based on the “old faithful” ATmega328 - has just a single UART, while the Arduino Mega - built on an ATmega2560 - has a whopping four UARTs.
As the R and T in the acronym dictate, UARTs are responsible for both sending and receiving serial data. On the transmit side, a UART must create the data packet - appending sync and parity bits - and send that packet out the TX line with precise timing (according to the set baud rate). On the receive end, the UART has to sample the RX line at rates according to the expected baud rate, pick out the sync bits, and spit out the data. Here is the conection between the device.

I used I2C communication before for interfacing some modules witrh arduino development boards. As i mentioned earlier, i choosed I2C communication to do the assignment this week. I would like to know more about I2C communication. So what is i2C communication? The Inter-integrated Circuit (I2C) Protocol is a protocol intended to allow multiple slave digital integrated circuits (chips) to communicate with one or more master chips. Like the Serial Peripheral Interface (SPI), it is only intended for short distance communications within a single device. Like Asynchronous Serial Interfaces (such as RS-232 or UARTs), it only requires two signal wires to exchange information. I2C requires a mere two wires, like asynchronous serial, but those two wires can support up to 1008 slave devices. Also, unlike SPI, I2C can support a multi-master system, allowing more than one master to communicate with all devices on the bus (although the master devices can’t talk to each other over the bus and must take turns using the bus lines).
Data rates fall between asynchronous serial and SPI most I2C devices can communicate at 100kHz or 400kHz. There is some overhead with I2C for every 8 bits of data to be sent, one extra bit of meta data must be transmitted.
The hardware required to implement I2C is more complex than SPI, but less than asynchronous serial. It can be fairly trivially implemented in software.

Both SCL and SDA lines are open drain drivers. wich means that the chip can drive its output as low, but it cannot be drive it as high. For the line to be able to go high you must provide pullup resistors to the power supply. Usually ued a 10K resitor value for pullup up the SDA and SCL lines.

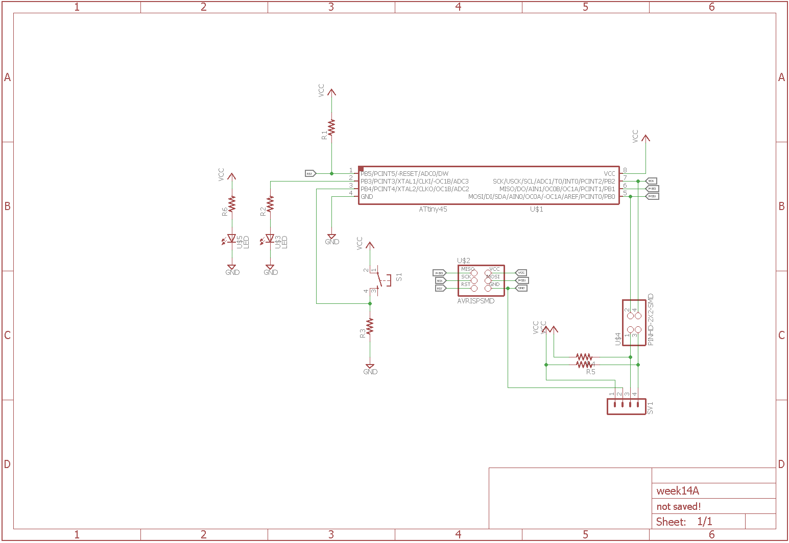
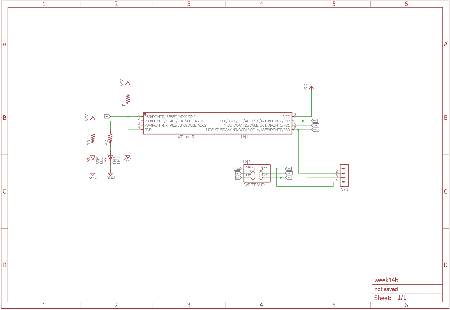
We got much infirmations about I2C. Now lets built some PCBs to communicate each other through I2C bus. I choosed Attiny45 as the microcontroller. First i need to design the Master board then design the slave board. The master board is consist of a Button and LED and slave board have a single LED only. So when i press the button on Master board, the LED on the slave board as well as LED on the master board will glow. SO that is my plan. Now let design the Boards and mill them.






Now i need to program each of the boards. This is little complicated one because i need to do the three of the boards communicate properly. But while iam testing one of the slave board, i accidently removed the FabISP programmer while the code was uploading. Now i cant program the board. But for now i go with the other slave and master boards and i should troubleshoot the board and recover it later.
First i tried the Wire.h library that official given by the Arduino. But when compailing the wire.h library i got some error. So i googled and saw some answers from arduino forum that wire.h library wont work with attiny45 microcontrollers. As i xpected it happened. So now, i need to find another way. I searched for alternative arduino libaries that especially build for attiny microcontrollers. I found TinyWire.h library for arduino. The TinyWire.h library is build a for attiny microcontrollers. The library almost replicate the Wire.h. Visit the github repository for more info about the library.
Iam installed the library in my arduino IDE

Now i need to write the code for the master to turn on the LEDs of both master and slave while the button press by using I2C communication.


#include <TinyWireM.h>
#define device (1)
#define BTN 4
#define LE 3
void setup() {
pinMode(BTN,INPUT);
pinMode(LED,OUTPUT);
TinyWireM.begin();
}
void loop() {
TinyWireM.beginTransmission(device);
int val = analogRead(BTN);
if(BTN>0)
{
TinyWireM.beginTransmission(device);
digitalWrite(LED,HIGH);
TinyWireM.send(1);
TinyWireM.endTransmission();
}
else
{TinyWireM.beginTransmission(device);
digitalWrite(LED,LOW);
TinyWireM.send(0);
TinyWireM.endTransmission();
}
}
#include <TinyWireS.h>
#define LED 3
#define I2C_SLAVE_ADDR (1)
void setup() {
TinyWireS.begin(I2C_SLAVE_ADDR);
pinMode(LED, OUTPUT);
}
void loop() {
if (TinyWireS.available())
byte data = TinyWireS.receive();
if (data == 1)
digitalWrite(LED, HIGH);
else if (data == 0)
digitalWrite(LED, LOW);
}
I uploaded the code to the master and slave boards. When i powered the board to by using the FabISP, i doesnt get the out put on the Slave board but the Master board is working fine. I go through code again and it is fine. Then i check ed the wiring of I2C bus, i was wrongly wired the I2C bus each other. I correct them and powered it again and Hola its working.
